
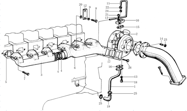
| NO. | Part No. | Part Name | Quantity |
| 1 | VG1560070003 | Oil return pipe | 1 |
| 1/A | VG1560079003 | Oil return pipe | 1 |
| 2 | VG1560118227D | Turbochager | 1 |
| 2/A | VG1560118229 | Turbochager | 1 |
| 3 | VG2600111137 | Exhaust manifold front | 1 |
| 4 | VG260110162 | Seal ring | 4 |
| 5 | VG1560110111 | Gasket | 6 |
| 6 | VG2600111136 | Exhaust manifold rear | 1 |
| 8 | VG2600111052 | Screw | 12 |
| 10 | VG1560110152 | Joint flange | 1 |
| 11 | VG1560070002 | Oil supply pipe | 1 |
| 11/A | VG1560070002A | Oil supply pipe | 1 |
| 13 | VG188250083 | Lock washer | 4 |
| 14 | VG1560110187 | Stud | 6 |
| 15 | VG609E110050 | Gasket | 1 |
| 16 | VG2600110048 | Gasket | 1 |
| 17 | VG1560110210 | Joint | 1 |
| 18 | VG1460070014 | Screw | 2 |
| 19 | VG2600070071 | Hose | 1 |
| 21 | 190003862428 | Screw | 2 |
| 22 | 190003559513 | Nut | 2 |
| 23 | 190003888470 | Nut | 6 |
| 24 | 190003559563 | Ring | 2 |
| 25 | 190003989340 | Clamp | 2 |
| 26 | VG1560110241 | Bolt | 4 |
| 26/A | VG2600111429 | Bolt | 4 |
| 27 | VG2600111138 | Heat insulation cover front | 1 |
| 27/A | VG2600111142 | Heat insulation cover front | 1 |
| 27A | VG2600111139 | Heat insulation cover rear | 1 |
| 27A/A | VG2600111143 | Heat insulation cover rear | 1 |
| 27B | VG1500110963 | Heat proof screw | 12 |

