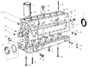
WD615 CRANK CASE

   NO. Part No. Part Name Quantity  0 AZ6101001828 371ps engine 1 0-1 HW47070003 371ps [...]

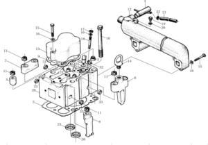
WD615 FLYWHEEL HOUSING

   NO. Part No. Part Name Quantity  1 AZ1500010932 Gear case 1 1/A 61557010008 Gear [...]

WD615 OIL FILLING PIPE

   NO. Part No. Part Name Quantity  1 VG2600010489 Oil filler cap 1 2 VG1560010028 [...]

WD615 CRANKSHAFT

   NO. Part No. Part Name Quantity   — 161560020029 Crankshaft assembly 1 1 161560020024 Crank [...]

WD615 CON-ROD,PISTON

   NO. Part No. Part Name Quantity  1 VG1560030034J Uper sleeve bearing 6 1/A VG1560030034 [...]

WD615 CYLINDER HEAD

   NO. Part No. Part Name Quantity  0 161500040058 Cylinder head assembly(incl.23-28) 6 0/A 161560040058 [...]

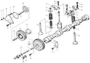
WD615 CAMSHAFT

   NO. Part No. Part Name Quantity  1 VG1500050070 Push rod 12 2 190003871252 Nut [...]

WD615 WATER PUMP

   NO. Part No. Part Name Quantity  0 VG1500060050 Water pump C 1 0/A VG1500060051 [...]

WATER PUMP AND FAN

   NO. Part No. Part Name Quantity  1 VG1500060027 Ring 1 2 VG9100590006 Bracket L. [...]

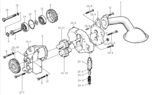
WD615 OIL PUMP

   NO. Part No. Part Name Quantity  1 VG1800070051 Suction pipe 1 2 VG14070055 Gasket [...]

call Hotline 1 0398818599 call Hotline 2 0398818599 facebook Fanpage messenger Chat FB zalo Chat Zalo