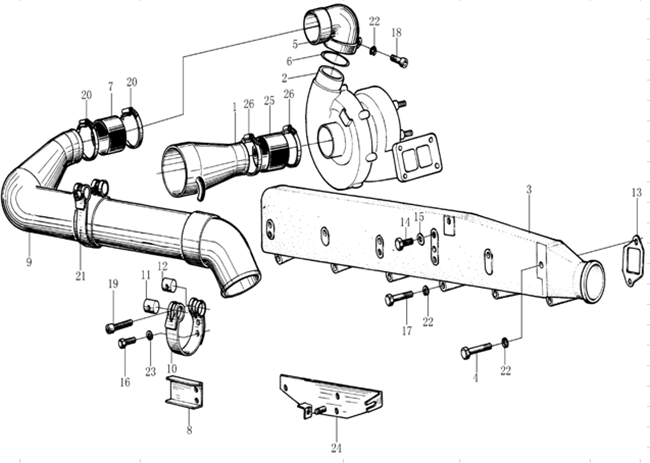
| NO. | Part No. | Part Name | Quantity |
| 1 | VG2600111196 | Funnel pipe | 1 |
| 2 | VG1560118227D | Turbochager | 1 |
| 2/A | VG1560118229 | Turbochager | 1 |
| 3 | VG2600110810 | Airintake manifold | 1 |
| 3A | VG1800110045 | Airintake pipe | 1 |
| 3B | VG1560110226 | Clamp | 2 |
| 1/4 | VG14110064 | Bolt | 4 |
| 1/5 | VG2600111078 | Connecting pipe | 1 |
| 1/6 | VG190320035 | Sealing ring | 2 |
| 1/7 | VG2600111086 | Hose | 1 |
| 8 | VG1500110003 | Fixing plate | 1 |
| 9 | VG2600120100 | Pipe | 1 |
| 10 | VG1560110022 | Strap assembly | 2 |
| 11 | VG209190017 | Tension pin | 2 |
| 12 | VG1700550013 | Tension pin | 2 |
| 13 | VG1500110024 | Gasket | 6 |
| 14 | 190003962014 | Hex.head screw plug | 1 |
| 15 | VG9003080003 | Sealing washer | 1 |
| 16 | 190003802411 | Screw | 6 |
| 17 | 190003800465 | Screw | 6 |
| 19 | 190003862462 | Screw | 2 |
| 20 | 190003989312 | Clamp | 2 |
| 22 | 190003932023 | Wave spring washer | 22 |
| 23 | VG609E110036 | Adjusting washer | 2 |
| 24 | VG9719570026 | Bracket | 1 |
| 24/A | VG9100570019 | Bracket | 1 |
| 25 | VG9112530148 | Hose | 1 |
| 26 | 190003989315 | Clamp | 2 |
