WD615 OIL PUMP AND FILTER
NO. Part No. Part Name Quantity 1 VG1500070051 Filter head 1 2 VG61000070005 Filter [...]
Th11
WD615 INJECTION PUMP
NO. Part No. Part Name Quantity – VG1560080278A Injection pipe set 1 1 VG1560080278A-1 [...]
Th11
WD615 INJECTION COUPLING
NO. Part No. Part Name Quantity 0 VG1560080277 Coupler assembly 1 0/A VG1560080300 Coupler [...]
Th11
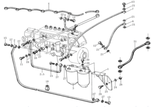
WD615 FUEL LINE
NO. Part No. Part Name Quantity 1 VG1560080094 Bracket 1 2 VG1560080017 Hose 1 [...]
Th11
WD615 EXHAUST MANIFOLD
NO. Part No. Part Name Quantity 1 VG1560070003 Oil return pipe 1 1/A VG1560079003 Oil [...]
Th11
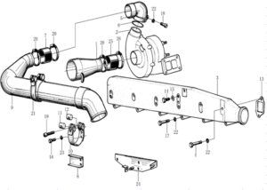
AIR INTAKE MANIFOLD
NO. Part No. Part Name Quantity 1 VG2600111196 Funnel pipe 1 2 VG1560118227D Turbochager [...]
Th11
WD615 AIR COMPRESSOR
NO. Part No. Part Name Quantity 1 VG1560130070 Air compressor 1 4 VG0003070092 Oil [...]
Th11
WD615 OIL PAN
NO. Part No. Part Name Quantity 1 VG14150004 Seal 1 2 VG1800150015 Oil pan [...]
Th11
WD615 DOUBLE CYLINDER AIR COMPRESSOR
NO. Part No. Part Name Quantity 1 VG1560130080 Air compressor assembly 1 2 VG1560130064 [...]
Th11
WD615 STARTER AND ALTERNATOR
NO. Part No. Part Name Quantity 1 VG614090067J Temperature sensor(warning) 1 1 VG1500090061 Temperature [...]
Th11
