| NO. | Part No. | Part Name | Quantity |
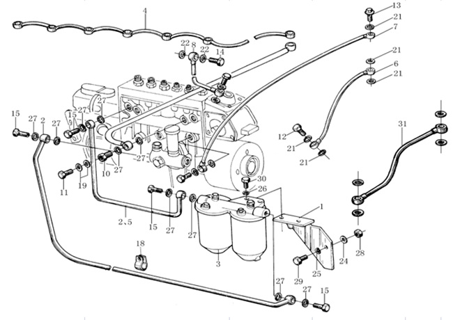
| 1 | VG1560080094 | Bracket | 1 |
| 2 | VG1560080017 | Hose | 1 |
| 2/A | VG1560087017 | Hose | 1 |
| 2/B | VG1047080005 | Hose | 1 |
| 3 | VG14080295A | Fuel filter C | 1 |
| 3/A | VG14087295A | Fuel filter C | 1 |
| 3/1 | VG14080739A | Fine filter element | 1 |
| 3/2 | VG14080740A | Filter element | 1 |
| 3/3 | VG1560080005 | Filter seat | 1 |
| 3/B | VG1560080011 | Fine fuel filter C | 1 |
| 3/B-1 | VG1560080012 | Fine filter element | 1 |
| 3/B-2 | VG1560080013 | Filter seat | 1 |
| 3A/B | VG1560080016 | Fuel filter C | 1 |
| 3A/B-1 | VG1560080311 | Filter element | 1 |
| 3A/B-2 | VG1560080014 | Filter seat | 1 |
| 3A/B-3 | VG1047080009 | Water cup | 1 |
| 4 | VG1500080095 | Fuel line(return) | 1 |
| 5 | VG1560080018 | Hose | 1 |
| 5/A | VG1560087018 | Hose | 1 |
| 5/B | VG1560080038 | Hose | 1 |
| 5A/B | VG1560080037 | Hose | 1 |
| 6 | VG1560070011A | Oil line | 1 |
| 6/A | VG1560070050 | Oil line for air compressor | 1 |
| 7 | VG1560070012A | Oil line | 1 |
| 7/A | VG1560070060 | Oil line for injection pump | 1 |
| 8 | VG1560080284 | Air line | 1 |
| 10 | VG609080037 | Female screw | 1 |
| 11 | 190003962603 | Female screw | 1 |
| 12 | 190003962607 | Female screw | 2 |
| 13 | VG1560070012 | Female screw | 1 |
| 14 | 190003962612 | Female screw | 2 |
| 15 | 190003962621 | Female screw | 4 |
| 19 | VG2600080201 | Gasket | 2 |
| 21 | VG9003080003 | Gasket | 7 |
| 22 | VG9003080004 | Gasket | 4 |
| 24 | 190003930012 | Washer | 2 |
| 25 | 190003932024 | Spring washer | 2 |
| 26 | 190003932016 | Spring washer | 2 |
| 27 | VG2600080200 | Gasket | 10 |
| 29 | 190003802523 | Screw | 2 |
| 30 | 190003802627 | Screw | 2 |

