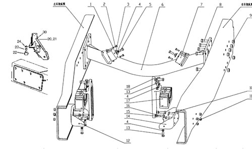
| NO. | Part No. | Part Name | Quantity |
| 1 | Q40308 | Spring washer | 4 |
| 2 | Q150B0816 | Screw | 4 |
| 3 | 1480A 360058 | Washer | 2 |
| 4 | Q40312 | Spring washer | 10 |
| 5 | 190003802622 | Screw | 2 |
| 6 | AZ9725590101 | Crossbar | 1 |
| 7 | WG1680590095 | Rubber support | 2 |
| 8 | Q151B1645 | Screw | 6 |
| 9 | 190003888459 | Nut | 6 |
| 10 | Q150B1245 | Screw | 8 |
| 11 | Q33212 | Nut | 8 |
| 12 | AZ9731590015 | Bracket left | 1 |
| 13 | Q151C1235 | Screw | 8 |
| 14 | AZ9731590016 | Bracket right | 1 |
| 15 | Q151B1440 | Screw | 6 |
| 16 | Q40314 | Spring washer | 6 |
| 17 | AZ9725590031 | Wedge Support | 2 |
| 18 | AZ9731590020 | Support | 2 |
| 20 | AZ9725596020 | Support left | 1 |
| 21 | AZ9725596030 | Support right | 1 |
| 22 | WG9100590082 | Stop block | 2 |

